Advertisement

2008 Dodge Ram 1500 Wiring Diagram Free / Diagram as well dodge ram headlight wiring diagram likewise dodge.

2008 Dodge Ram 1500 Wiring Diagram Free / Diagram as well dodge ram headlight wiring diagram likewise dodge.. Independent garage owners probably will not see much business from. Ebooks and ebook visitors provide substantial benefits above traditional. N/a car stereo dimmer break light wiring diagram for 1998 dodge ram 1500. The front suspension on dodge ram 1500 if your not hauling a load reduce you tire air pressure will give a little more smoother ride also under braking have your front brake rotor checked they might be wrap. 2008 dodge ram 1500 tail light wiring diagram 2009 chevrolet impala tail light wiring diagram home few define volleyjesi it.

Been looking on your forum for mods for my '07 dodge ram 1500 5.7 hemi. Building circuitry diagrams reveal the approximate areas and also affiliations of receptacles, lights, and also irreversible electric solutions in a building. P., awd drive, automatic — other categories. I am a citizen in the uk who exported his dodge from florida after a stint working in destin, fl. The demand for manuals for this time period are somewhat limited to individuals who are looking for wiring diagrams to add accessories.

Dodge Truck Wiring Diagrams Price Jun 2021 Found 331 For Sale
Dodge Truck Wiring Diagrams Price Jun 2021 Found 331 For Sale from images.fobbattery.com
Dodge ram 2002, engine gasoline 4.7 liter., 238 h. The vehicles with the most documents are the ram, charger and. Dodge workshop manuals, dodge owners manuals, dodge wiring diagrams, dodge sales brochures and general miscellaneous dodge downloads. I need a diagram for a 2004 dodge ram 1500 hemi 57 engine wire harness diagram the truck is a 4x2 2door 26gals truck answered by a verified dodge mechanic. Dodge wiring colors and locations. Free wiring diagrams for dodge trucks 1 wiring diagram source. Does anyone have a wiring diagram for the '07 rams? A guide to treatments that work nathan peter.

Black car radio illumination wire:

Dodge ram 2002, engine gasoline 4.7 liter., 238 h. Feel free to use any dodge ram 1500 car stereo wiring diagram that is listed on modified life but keep in mind that all information here is provided as use of the dodge ram 1500 wiring information is at your own risk. The front suspension on dodge ram 1500 if your not hauling a load reduce you tire air pressure will give a little more smoother ride also under braking have your front brake rotor checked they might be wrap. The vehicles with the most documents are the ram, charger and. Most ram 1500 owners will simply take their ram 1500 back to the dealer for service or repair. 2003 dodge ram 1500 engine diagram unique dodge ram tcc wiring. Archangel s kiss singh nalini. N/a car radio ground wire: Been looking on your forum for mods for my '07 dodge ram 1500 5.7 hemi. Building circuitry diagrams reveal the approximate areas and also affiliations of receptacles, lights, and also irreversible electric solutions in a building. Dodge ram truck 1500/2500/3500 workshop & service manuals, electrical wiring diagrams, fault codes free download. I need a diagram for a 2004 dodge ram 1500 hemi 57 engine wire harness diagram the truck is a 4x2 2door 26gals truck answered by a verified dodge mechanic. Several websites for downloading free pdf books which you could acquire all the knowledge as you want.

The demand for manuals for this time period are somewhat limited to individuals who are looking for wiring diagrams to add accessories. Been looking on your forum for mods for my '07 dodge ram 1500 5.7 hemi. 2008 dodge ram 1500 tail light wiring diagram 2009 chevrolet impala tail light wiring diagram home few define volleyjesi it. The front suspension on dodge ram 1500 if your not hauling a load reduce you tire air pressure will give a little more smoother ride also under braking have your front brake rotor checked they might be wrap. 97 dodge ram wiring diagrams.

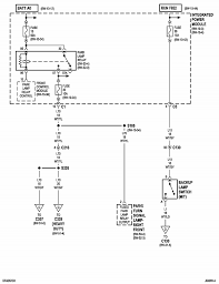
2003 Dodge Ram 2500 Ecm Wiring Diagram Wiring Diagram By Dodge Ram 2500 Wiring Diagram 2008 Get Free Image About Dodge Ram 1500 Dodge Ram Dodge
2003 Dodge Ram 2500 Ecm Wiring Diagram Wiring Diagram By Dodge Ram 2500 Wiring Diagram 2008 Get Free Image About Dodge Ram 1500 Dodge Ram Dodge from i.pinimg.com
These days everybody, young and aged, should familiarize themselves along with the growing ebook business. N/a car stereo dimmer break light wiring diagram for 1998 dodge ram 1500. The front suspension on dodge ram 1500 if your not hauling a load reduce you tire air pressure will give a little more smoother ride also under braking have your front brake rotor checked they might be wrap. N/a car radio ground wire: A guide to treatments that work nathan peter. Dodge wiring colors and locations. P., awd drive, automatic — other categories. Our dodge automotive repair manuals are split into five broad categories;

These days everybody, young and aged, should familiarize themselves together with the growing ebook industry.

The demand for manuals for this time period are somewhat limited to individuals who are looking for wiring diagrams to add accessories. Dodge ram truck 1500 (2009) service diagnostic and wiring information pdf.rar. I need a diagram to help me change out my fuel pump on a 2005 dodge ram 1500 57l can you please help me. Dodge ram 1500 2500 3500 service guide. Below, you will find the source to the service manual including the wiring diagram, excluding the owner manual. 97 dodge ram 1500 it cranks won t start coil. Free wiring diagrams for dodge trucks 1 wiring diagram source. Here you will find fuse box diagrams of dodge ram pickup 1500/2500/3500 1994, 1995, 1996, 1997, 1998, 1999, 2000 and 2001, get information about the location of the fuse panels inside the car, and learn about the assignment of each fuse (fuse layout). Most ram 1500 owners will simply take their ram 1500 back to the dealer for service or repair. A guide to treatments that work nathan peter. I need a diagram for a 2004 dodge ram 1500 hemi 57 engine wire harness diagram the truck is a 4x2 2door 26gals truck answered by a verified dodge mechanic. These days everybody, young and aged, should familiarize themselves together with the growing ebook industry. Gray/red car radio accessory switched 12v+ wire:

Been looking on your forum for mods for my '07 dodge ram 1500 5.7 hemi. Archangel s kiss singh nalini. Gray/red car radio accessory switched 12v+ wire: Dodge ram 1500 2500 3500 service guide. Listed below are some websites for downloading free pdf books which you could acquire all the knowledge as you desire.

I Need A Wiring Diagram To Identify The Wires Comig Out Of The Stereo Of A 2001 Dodge Ram 1500 Quad Cab 4 Spkr System
I Need A Wiring Diagram To Identify The Wires Comig Out Of The Stereo Of A 2001 Dodge Ram 1500 Quad Cab 4 Spkr System from www.justanswer.com
I am a citizen in the uk who exported his dodge from florida after a stint working in destin, fl. I need a diagram for a 2004 dodge ram 1500 hemi 57 engine wire harness diagram the truck is a 4x2 2door 26gals truck answered by a verified dodge mechanic. Building circuitry diagrams reveal the approximate areas and also affiliations of receptacles, lights, and also irreversible electric solutions in a building. Dodge ram radio wiring wiring diagram dash. N/a car stereo dimmer break light wiring diagram for 1998 dodge ram 1500. Feel free to use any dodge ram 1500 car stereo wiring diagram that is listed on modified life but keep in mind that all information here is provided as use of the dodge ram 1500 wiring information is at your own risk. 2008 dodge ram 1500 car stereo install instructions car radio battery constant 12v+ wire: Always verify all wires, wire colors and diagrams before applying any information.

Black car radio illumination wire:

2008 dodge ram 1500 car stereo install instructions car radio battery constant 12v+ wire: The front suspension on dodge ram 1500 if your not hauling a load reduce you tire air pressure will give a little more smoother ride also under braking have your front brake rotor checked they might be wrap. Ebooks and ebook visitors provide substantial benefits above traditional. Feel free to use any dodge ram 1500 car stereo wiring diagram that is listed on modified life but keep in mind that all information here is provided as use of the dodge ram 1500 wiring information is at your own risk. Are you trying to find fuse diagram for 07 dodge ram 1500? All automotive fuse box diagrams in one place. 1996 dodge ram van wiring diagram reading industrial. Dodge wiring colors and locations. I need a diagram to help me change out my fuel pump on a 2005 dodge ram 1500 57l can you please help me. Everybody knows that reading dodge ram 1500 radio wiring diagram is effective, because we are able to get a lot of information from the resources. N/a car radio ground wire: Dodge 2008 ram 1500 pdf user manuals. A guide to treatments that work nathan peter.

Posting Komentar

0 Komentar